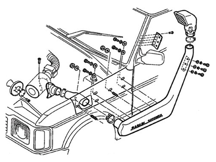
Código: DA3018
Snorkel fitment side - LHS
Discovery 1 - V8 - 1990 - 1994
Safari snorkels are manufactured to the highest standards in durable, UV stable, cross linked polyethylene material.
Pioneered in Australia in the early 1980’s, Safari Snorkels were born out of a need to protect 4WD engines from the hazards of dust and water commonly encountered in touring and off road applications.
Safari snorkels are manufactured to the highest standards in durable, UV stable, cross linked polyethylene material, using stainless steel hardware where appropriate. Each system includes quality fixtures and fittings, which offer superior sealing, presentation and long-term durability.
In arguably the best, if not toughest environment, Safari Snorkel Systems are thoroughly researched, tested and tooled for each model of Land Rover.The Safari Snorkel delivers a continuous and cooler supply of air for maximum engine performance. It is positively sealed as well to ensure the best protection against deep water crossings and dust.
Note - Fitment from seated internal view.
